
YJ3-E 油液颗粒计数器传感器采用遮光法(光阻法)原理研制,用于液压系统油路中颗粒污染的在线实时监测。可广泛应用于航空、航天、电力、石油、化工、交通、港口、冶金、机械、汽车制造等领域中的液压油、润滑油、变压器油(绝缘油)、汽轮机油(透平油)、齿轮油、发动机油、航空煤油、水基液压油等的固体颗粒污染度检测,及对有机液体、聚合物溶液中的颗粒杂质的检测。
技术优势:
1. 采用遮光法(光阻法)原理;
2. 内置 GJB420B-06、GJB420A-96、NAS1638、ГOCT17216 、ISO4406:1999 (GB/T14039-2002)
等颗粒污染度等级标准,可实时给出所测样品的颗粒计数及污染度等级;
3. 可按 ISO4402 或ISO11171 进行校准;
4. 标准串行 RS485 接口,可外接计算机完成控制及检测结果存储;
5. 通过CAN输出数据,可外接计算机完成检测结果存储;
6. 实时数据,能够实时掌握分析液压系统的磨损趋势。
主要测量参数:
|
测量参数 |
测量范围 |
|
检测范围 |
1~100μm(详见附录B) |
|
4~70μm(c)(详见附录B) |
|
|
测量通道 |
1µm、2µm、5µm、10µm、15µm、25µm、50µm、 100µm |
|
4µm(c)、4.6µm(c)、6µm(c)、10µm(c)、14µm(c)、21µm(c)、38µm(c)、70µm(c) |
|
|
检测流速 |
10~300mL/min 推荐使用 25mL/min |
|
检测周期 |
5~60S(5S/档) |
|
测量重复性 |
RSD<5% |
|
测量精度 |
颗粒数±20%(或±1 个污染度等级) |
|
内置等级标准 |
NAS1638、ISO4406、GJB420A、GJB420B、 ГOCT17216 |
|
备注:测量精度须确保测试环境在 20±5℃,流量25mL/min 范围内。 |
|
技术要求:
|
技术要求 |
参数 |
备注 |
|
数字信号输出 |
RS485 MODBUS RTU/ASCII 码 |
|
|
工作电压 |
DC24V±10% |
|
|
工作电流 |
<150mA |
|
|
工作温度 |
-20~60℃ |
|
|
流体温度 |
0~80℃ |
|
|
存储温度 |
-40~85℃ |
|
|
允许油压 |
≤2MPa 2~40MPa(配减压阀) |
推荐使用环境≤0.6MPa |
|
防护等级 |
IP65 |
|
|
光源类型 |
高精度准直光源 |
|
|
进出油接口 |
G1/8-¢6,配外径 6mm的低压卡套软管 |
高压管可定制 |
|
重量 |
950g |
|
|
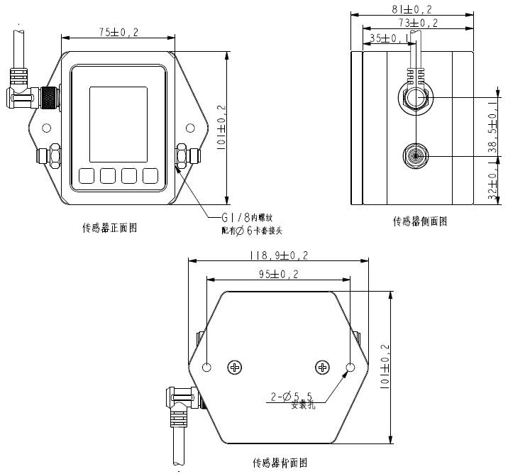
尺寸: |
101mm×75mm×73mm (长 x 宽 x 高) |
|
产品结构:

传感器机箱的外形以及安装孔尺寸图 单位:mm
传感器显示界面
传感器主界面主要由“标准”、“单位”、“周期”、“流速”、“地址”、“协议”、“语言”、“模式”、“波特率”九个选项组成,检测操作时将根据以上四项的设置进行;并且传感器提供上位机软件。
产品应用:
电力行业 监测变压器、电抗器绝缘油 ;工业机械 监测机械设备润滑油和液压油 ;运输行业监测船舶、车辆发动机机油。